
GM43SS528 3000 دورة في الدقيقة للمحرك Dc الصغرى 6000 لفة في الدقيقة للمعدات المكتبية أو السيارات مصراع
وضع العمل الجماعي العالمي المجموعة المحدودة 3000 لفة في الدقيقة للعاصمة الجزئي المحرك 6000 دورة في الدقيقة. علينا القيام بعدد من المشاريع الوطنية، ولدينا فريق الأبحاث مرارا وتكرارا الدراسة في الخارج، والتي تراكمت لديها ثروة من الخبرة التقنية. المحركات السيارات المستخدمة ونوع ونحن أيضا إمدادات. وسوف نقدم خدمة ممتازة وأسعار تنافسية لك.
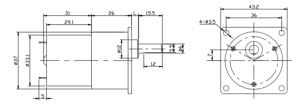
1. المنتج مقدمة من 3000 لفة في الدقيقة للعاصمة الجزئي المحرك 6000 دورة في الدقيقة
ثيسيرينيوبرودوكتس. الطول يمكن أن تصمم حسب الطلب. علينا القيام بعدد من المشاريع الوطنية، ولدينا فريق الأبحاث مرارا وتكرارا الدراسة في الخارج، والتي تراكمت لديها ثروة من الخبرة التقنية. المحركات السيارات المستخدمة ونوع ونحن أيضا إمدادات. وسوف نقدم خدمة ممتازة وأسعار تنافسية لك.
2. المنتج المعلمة من 3000 لفة في الدقيقة للعاصمة الجزئي المحرك 6000 دورة في الدقيقة
نموذج | الجهد الكهربي | لا يوجد تحميل | تحميل عزم الدوران | كشك لعزم الدوران | ||||
السرعة | الحالية | السرعة | الحالية | الإخراج | عزم الدوران | الحالية | ||
V | R/min | A | r/min | A | W | gf.cm | A | |
GM43SS528 | 12 | 6000 | 0.07 | 4500 | 0.72 | 3.6 | 300 | 2.8 |
3. ميزة المنتج وتطبيق 3000 لفة في الدقيقة لمطر الصغير dc 6000 لفة في الدقيقة
التطبيقات النموذجية:
* معدات مكتب * المنزلية * وحدة التشغيل التلقائي
4. إنتاج تفاصيل 3000 لفة في الدقيقة للعاصمة الجزئي المحرك 6000 دورة في الدقيقة
نسبة العتاد والعتاد مواد يمكن أن تصمم حسب الطلب
تصميم مخصص: مرحبا

5. منتج تأهيل 3000 لفة في الدقيقة للعاصمة الجزئي المحرك 6000 دورة في الدقيقة
الشهادة: مجلس التعاون الجمركي. ROHS. ليا ماي. إلخ
ووفقا لمتطلبات العميل
6.Deliver، "الشحن وتخدم" من 3000 لفة في الدقيقة للعاصمة الجزئي المحرك 6000 دورة في الدقيقة
إينبرودوكشن، ويديماندنوتونليكوانتيتيبوتالسوقواليتي.
التعبئة: تصدير نمط التعبئة ذات نوعية جيدة
النقل: بالطائرة أو السفينة، وفقا لطلب العميل
وقت الإنتاج: 15-40days بعد تلقي الموافقة على عينات والإيصالات
شروط الدفع: deposit,70%T/T تي/تي 30% قبل الشحن أو "خطاب الاعتماد الكامل" على مرأى
7. أسئلة وأجوبة
س: هل تقوم أنت بتوفير العينة؟
ج: بعد تأكيد السعر، يمكنك طلب عينات للتحقق من الجودة. إذا كنت بحاجة العينات، ونحن سوف تهمة لتكلفة العينة. ولكن تكلفة عينة يمكن قابلة للاسترداد بعد تأكيد أمر دفعي ماس عندما الخاص بك الكمية للنظام أكثر حول موك.
س: ما هو الضمان للمكونات؟
A: للمكونات، لدينا الضمان أونيييار. إذا حدثت أي مشكلة الجودة في هذه الفترة، سوف نتخذ على تكلفة الشحن و replacment. يعتمد ذلك على تفاصيل العقد بنا.
س: من يجب أن اتصل إذا أنا لست راضيا عن الخدمة الخاصة بك؟
A: يمكنك الاتصال بقسم خدمة إدارة ليو لي. هاتف: +86 755 85265699(601)
Q:Can تقوم بترتيب عطلة نهاية الأسبوع التسليم في السيارات؟
ج: نعم، ولكن ذلك يعتمد على حالة حقيقية.
ونحن نفخر بإدخال لنا كواحد من gm43ss528 الرائدة 3000 لفة في الدقيقة لمحرك العاصمة الصغيرة 6000 لفة في الدقيقة للمعدات المكتبية أو السيارات مصراع المصنعين والموردين في الصين لكم. نحن نقدم الخدمة المخصصة والتشاور الاقتباس. يرجى أن تكون حرة في شراء أو المحرك خصم سعر رخيص مع مصنعنا بالجملة.
الوسم : gm43ss528 3000 لفة في الدقيقة لموتور dc الصغرى 6000 لفة في الدقيقة لمكتب المعدات أو السيارات مصراع الصين، مصنعين، مصنع، عرض أسعار البيع بالجملة، وتطويعه،، والخصم، والأسعار، شراء، رخيصة
زوج من
محرك كاشف بجهد 12 فولتفي المادة التالية
محرك آلة إنكجيكتاقد يعجبك ايضا
إرسال التحقيق










